技术新闻

富士能高清电动变倍镜头的供电与接线

2025-06-26 13:30:32 MetInfo

    富士能电动变倍镜头连接电缆之前,务请关闭各个设备的电源开关。

电缆连接如图所示

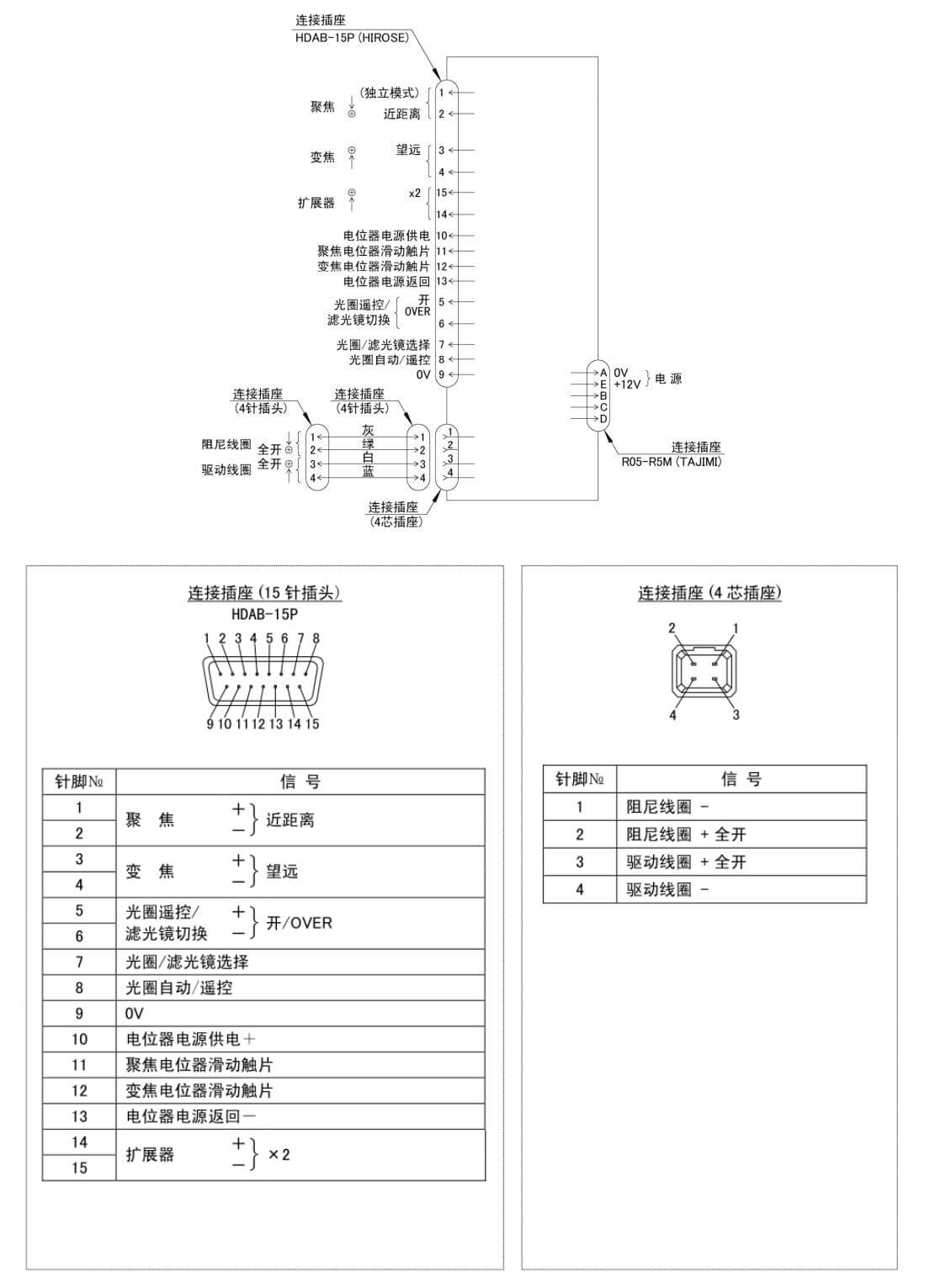
富士能电动变倍镜头线缆连接示意图

    富士能光学镜头备有连接用的连接插座(15 芯插座、5 芯插座),参照“接线图”的各项接线定义进行接线。

接线图如图所示

富士能电动变倍镜头接线定义

注意 插拔电线时请务必握住连接器部分,并请避免拉扯、扭拧电线,以免损坏电线或引起火灾和触电。

 注意 连接之前,请确保电源与镜头的额定电压相符。



首页
产品
新闻